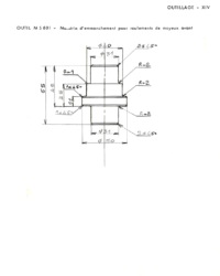
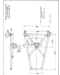
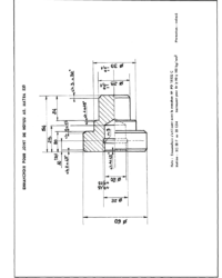
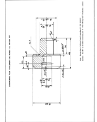
MATRA 530 - Manuel d'Atelier
Vous trouverez ici le manuel d’atelier intégral avec les additifs…tout le nécessaire pour entretenir ou restaurer votre 530 !
Galerie d'Images du Club RBMS
Événements et Moments Inoubliables
Rejoignez Notre Communauté Passionnée
Ne manquez pas l’opportunité de vous immerger dans l’univers fascinant des voitures anciennes Matra et Djet. Rejoignez-nous pour nos prochains événements et partagez votre passion avec d’autres amateurs. Inscrivez-vous dès aujourd’hui pour vivre des moments inoubliables avec le Club RBMS!



















































































































































































































































































































